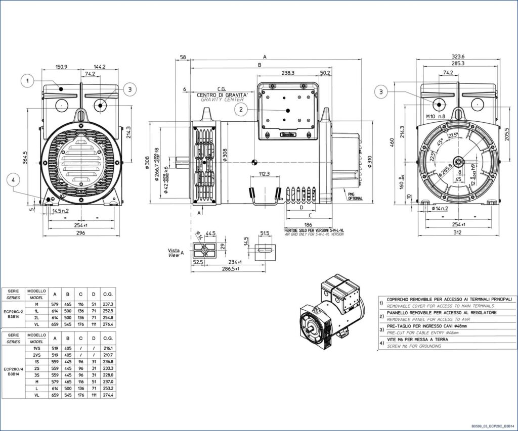
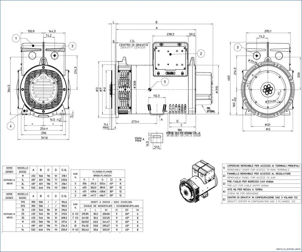
A linha ECP28 C-Type possui muitos recursos de produto projetados no alternador.
Os alternadores tipo C aproveitam ao máximo a conversão de energia para produzir a máxima relação potência/tamanho.
O C-Type é agora um dos alternadores mais simples de montar, integrar, configurar e manter com equipamentos OEM.
O nosso objectivo era fornecer a potência máxima a partir dos alternadores mais pequenos, mais leves e mais fortes e os nossos designers dotaram o C-Type com muito mais flexibilidade.
Toda a série é fabricada de acordo e em conformidade com as especificações mais comuns, como CEI 2-3, IEC 34-1, EN 60034-1, VDE 0530, BS 4999-5000, CAN/ CSA-C22.2 No14- 95-Nº100-95.