Aevolux- Controladores para gerador e Tubulações em aço inox

ECP3C

Geradores de 4 pólos

A linha ECP3 C-Type possui muitos recursos de produto projetados no alternador.

Os alternadores tipo C aproveitam ao máximo a conversão de energia para produzir a máxima relação potência/tamanho.

O C-Type é agora um dos alternadores mais simples de montar, integrar, configurar e manter com equipamentos OEM.

O nosso objectivo era fornecer a potência máxima a partir dos alternadores mais pequenos, mais leves e mais fortes e os nossos designers dotaram o C-Type com muito mais flexibilidade.

Toda a série é fabricada de acordo e em conformidade com as especificações mais comuns, como CEI 2-3, IEC 34-1, EN 60034-1, VDE 0530, BS 4999-5000, CAN/ CSA-C22.2 No14- 95-Nº100-95.

Características Gerais

ECP3C 4 pólos

Faixa de potência (kVA)

Código de enrolamento

Pólo

Regulador

Excesso de velocidade (RPM)

Classe de proteção

Altitude (m)

6,5 – 18

T0405S3

4

DSR

2250

IP23

0-1000

Modelos

ECP3 1S4 C

ECP3 2S4 C

ECP3 1L4 C

ECP3 2L4 C

ECP3 3L4 C

Faixa de potência (kVA)

3 fases

6,5 – 7,8

8 – 9,6

11 – 13,2

13,5 – 16,2

15h – 18h

Catálogo de família

Série_ECP_C_EN (2024)

Manual DSR

Sistema de Isolamento

SDD – Suporte Dinâmico de Dados 

Crie a sua ficha técnica própria e personalizada de acordo com as suas especificações.

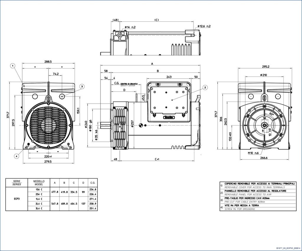
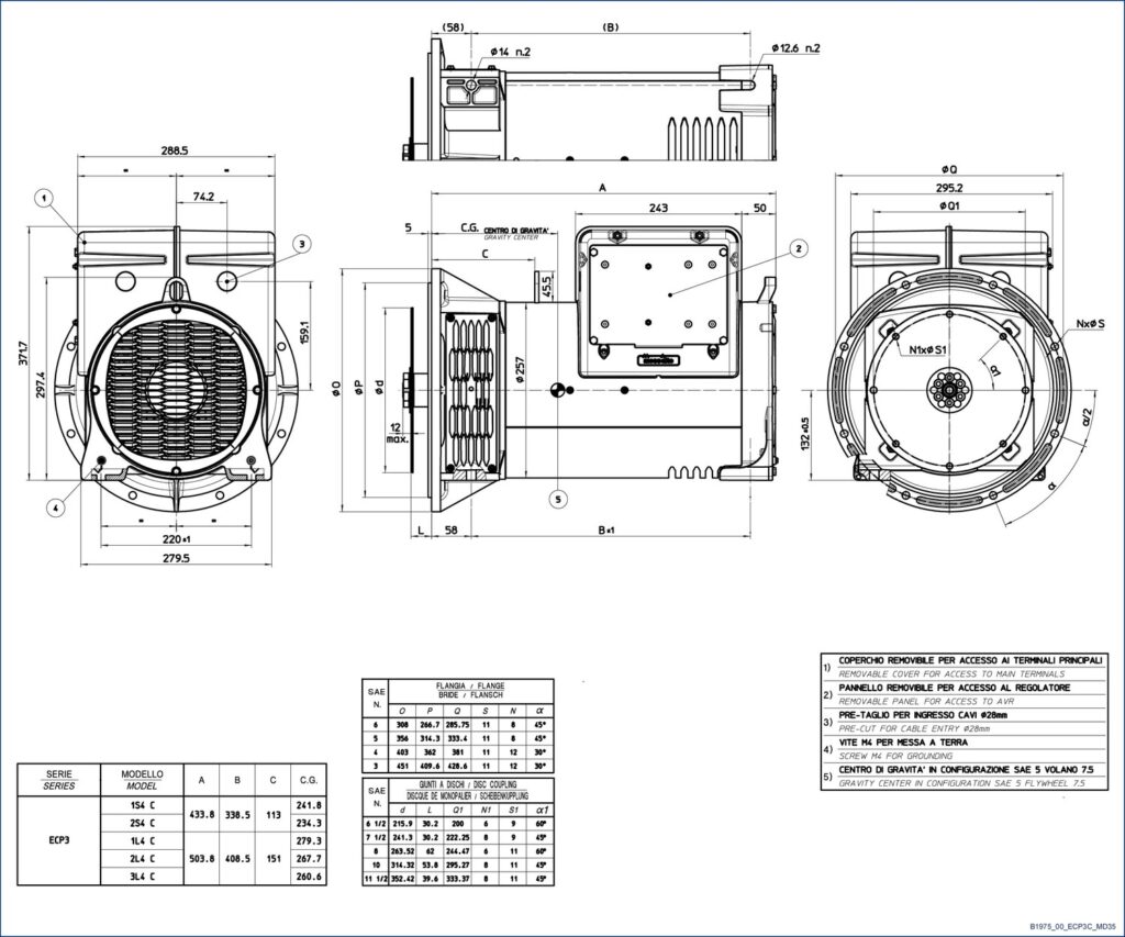
Desenhos de Dimensões Gerais